适用于 11 kHz 至 1 MHz
不同的匝比提供选择。
端接电阻器的值基于 1 伏输出,其中 30 安培流经原边。 可变的终端电阻根据以下公式增加或减少输出电压/安培: RT(欧姆)= Vout×Nsec / Iin。
符合环保要求。
工作温度:-40℃~+125℃
点击查看
适用于开关电源、反馈控制器、过载传感、负载降低/关闭检测等
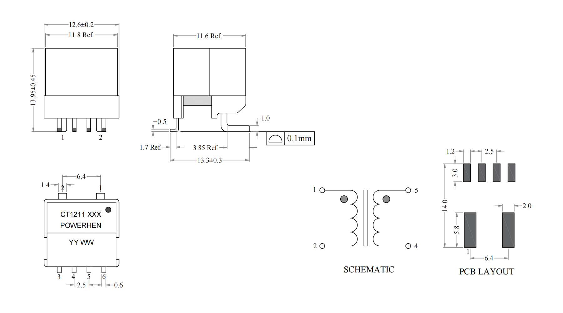
Part number 料号 | Turn ratio 匝比 Pri:sec | inductance 最小电感量 Min (mH) | DCR 直流电阻 Pri(Ω)max Sec(Ω)max | Voltage-time product 电压时间积 V.μS | Primary Rated Current 初级额定电流 A max | Frequency range 频率 KHz | 长度 mm | 宽度 mm | 高度 mm | |
| CT1211-050 | 1:50 | 1.7 | 0.00153 | 1.5 | 117 | 30 | 33 – >1000 | 12.6 | 11.6 | 13.95 |
| CT1211-070 | 1:70 | 3.0 | 0.00153 | 2.1 | 164 | 30 | 24– >1000 | 12.6 | 11.6 | 13.95 |
| CT1211-100 | 1:100 | 7.0 | 0.00153 | 3.1 | 235 | 30 | 17 – >1000 | 12.6 | 11.6 | 13.95 |
| CT1211-125 | 1:125 | 11.0 | 0.00153 | 4.1 | 294 | 30 | 13 – >1000 | 12.6 | 11.6 | 13.95 |
| CT1211-200 | 1:200 | 32.0 | 0.00153 | 10.4 | 423 | 30 | 11– >1000 | 12.6 | 11.6 | 13.95 |
| 标准品现货: | 小批量现货购买 | |||||||||
备注: ①3000 Vrms,一分钟绝缘(高压)绕组到绕组 ②电感在 100 kHz、0.1 Vrms、0 Adc 条件下测量次级引脚 | ||||||||||
| 结构尺寸/Dimensions |
![]() |